• Держатель трубы прямоугольной с заглушкой серый орион
  • Держатель трубы прямоугольной с заглушкой серый орион

Держатель трубы прямоугольной с заглушкой серый орион

Артикул: 
Код товара: 
7.32 р.
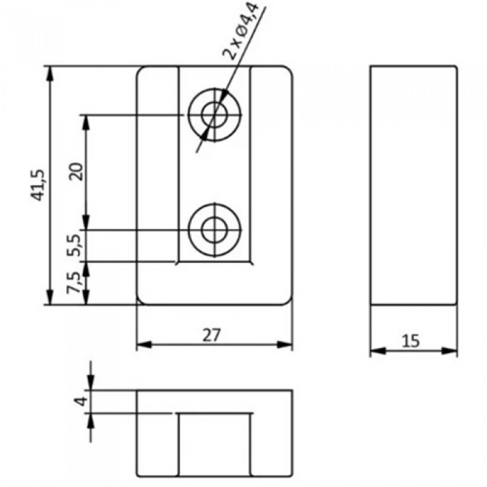
Крепление для прямоугольной штанги с заглушкой, графит - монтажный элемент, предназначенный для установки штанги с антискользящей вставкой внутри шкафа.
Свойства
Ед.изм шт
Производитель GTV