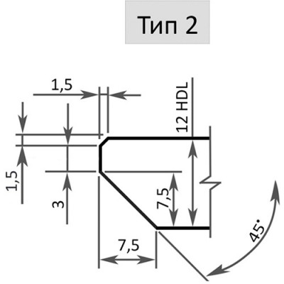
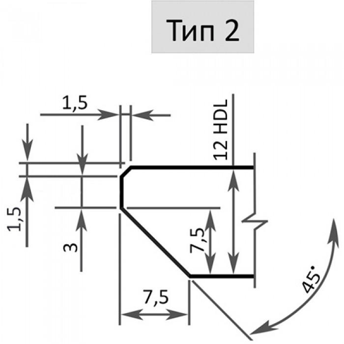
• криволинейное фасонное фрезерование компакт плиты 8-12 мм (тип2) (под 45гр)
  • криволинейное фасонное фрезерование компакт плиты 8-12 мм (тип2) (под 45гр)

криволинейное фасонное фрезерование компакт плиты 8-12 мм (тип2) (под 45гр)

Доступность: Под заказ
Код товара: 
62.23 р.
Свойства
Ед.изм м
Производитель LINE-COM